- EN 3
- EN 4
- без ФОП
- с ФОП
143,59 €
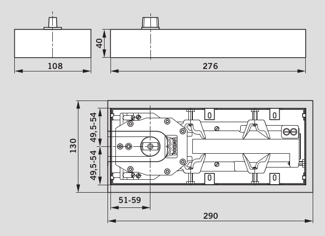
Доводчик dormakaba BTS 65 прекрасно подходит для установки в маятниковых дверях внутри помещения.
- Удобство. Два диапазона регулировки скорости закрывания двери 130° – 0° и 130° – 20°, позволяют настроить использование двери максимально комфортное для посетителей.
- Универсальность. Поставляется в вариантах усилия EN 3 и EN 4, с фиксацией открытого положения и без фиксации.
- Монтаж не доставит сложностей, потому что в доводчике есть взаимозаменяемые шпиндели, которые позволяют настроить зазор между створкой и полом и неглубокий цементный короб, всего 40 мм. Регулировки в корпусе доводчика относительно уровня пола позволяют настроить положение доводчика в пределах 6- 9 мм.
Для снижения вероятности коррозии производитель рекомендует использовать герметик dormakaba 2300 (артикул 45090086) для заполнения пространства между телом доводчика и цементной коробкой
Гарантия производителя 2 года.
Доводчик BTS 65 — Ваш идеальный выбор для создания комфортного использования двери.
| Технические характеристики | BTS 65 | ||
|---|---|---|---|
| Усилие закрывания | Типоразмер | EN 3 | EN 4 |
| Максимальная ширина дверей, мм(1) | 950 | 1100 | |
| Наружные двери, открываемые наружу(2) | |||
| Максимальный вес, кг | 100 | 100 | |
| Регулировка скорости закрывания клапанами | |||
| Амортизатор открывания (backcheck) | – | – | |
| Задержка закрывания | – | – | |
| Фиксация в открытом положении 90° | |||
| Масса, кг | 4 | 4 | |
| Габариты, мм |
Длина Ширина Глубина |
276 108 40 |
276 108 40 |
| Дверной доводчик прошел испытания на соответствие EN 1154 | |||
| CE маркировка строительных товаров | |||
|
Да / – Нет / Дополнительная опция (1)Для особенно высоких или тяжелых дверей, наружных дверей, которые должны закрываться под действием сильного ветра, мы рекомендуем подбирать доводчик с усилием выше на единицу, чем требуется при данной ширине двери, либо выбирать модель dormakaba BTS 80. (2)Максимальный угол открывания – 130°. Если есть вероятность открытия двери более чем на 130°, необходимо использовать дверной стопор. |
|||
Фиксация в открытом положении 90°
Стандартные и опциональные функции
1. Регулируемая базовая скорость закрывания в диапазоне 130° - 0°
2. Регулируемая повышенная скорость закрывания в диапазоне 130°- 20°
3. Фиксация в открытом положении при угле 90° (опционально)