Напольный доводчик dormakaba BTS 60 для применения на маятниковых дверях.
Усилие закрывания двери—EN 3
- EN 3
Верхняя петля и нижняя пластина—без комплекта
- без комплекта
- комплект
Фиксация открытого положения?ФОП - фиксация открытого положения—без ФОП
- ФОП 90˚
- без ФОП
Артикул:
25060405
BGN190.89*
97,60 €
97,60 €
BTS60 это базовое функциональное решение для маятниковых дверей с небольшой интенсивностью использования.
- Функциональность. Усилие закрывания доводчика фиксированное EN 3. А скорость закрывания регулируется клапаном в диапазоне от 130° до 15° и скорость дохлопа от 15° до 0°.
- Универсальность. Модель доводчика поставляется с фиксацией открфтого положения в 90° и без, с набором для крепления для алюминиевых и пластиковых дверей и без.
- Простота монтажа. Модель имеет минимальные размеры цементной коробки, что делает возможным его применение доступным в любых помещениях.
Гарантия производителя 2 года.
Доводчик BTS 60 — универсальное бюджетное решение для маятниковых дверей.
| Технические характеристики | BTS 60 | |
|---|---|---|
| Усилие закрывания | Типоразмер | Size 3 |
| Максимальная ширина дверей, мм(1) | 1.000 | |
| Наружные двери, открываемые наружу(2) | ||
| Максимальный вес, кг | 80 | |
| Регулировка скорости закрывания клапанами |
130°–15° 15°– 0° |
|
| Амортизатор открывания (backcheck) | – | |
| Задержка закрывания | – | |
| Фиксация в открытом положении 90° | ||
| Масса, кг | 4,4 | |
| Габариты, мм |
Длина Ширина Глубина |
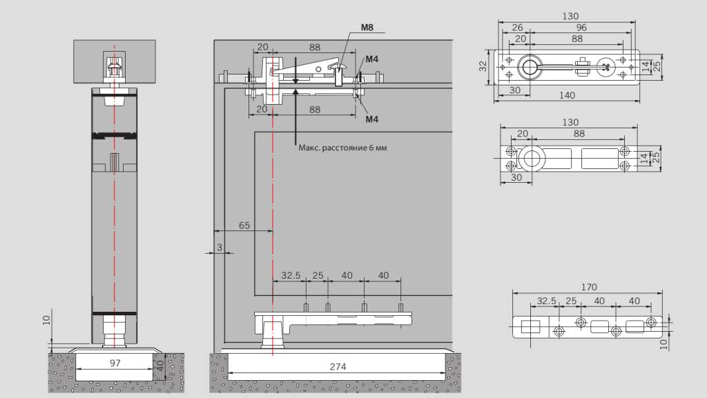
274 97 40 |
|
Да / – Нет / Дополнительная опция (1)Для особенно высоких или тяжелых дверей, наружных дверей, которые должны закрываться под действием сильного ветра, мы рекомендуем подбирать доводчик с усилием выше на единицу, чем требуется при данной ширине двери, либо выбирать модель dormakaba BTS 80. (2)Максимальный угол открывания – 130°. Если есть возможность открытия двери более чем на 130°, необходимо использовать дверной стопор. |
||
Фиксация в открытом положении 90°
Стандартные и опциональные функции
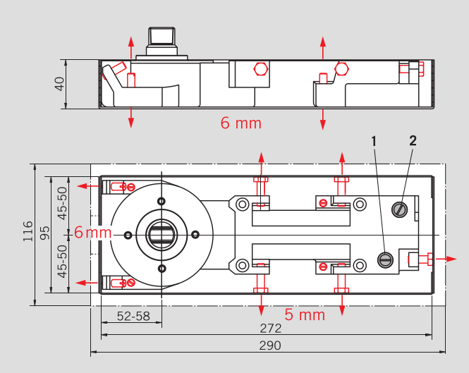
1. Регулируемая скорость закрывания в диапазоне 130° - 15°
2. Регулируемая скорость закрывания в диапазоне 15° - 0°
3. Фиксация в открытом положении при угле 90° (опционально)
Габаритные размеры и регулировки