- EN 2/3/4+Size5
- без ФОП
- с ФОП
63,31 €
Why choose the TS Profil door closer?
Energy efficiency: The integrated backcheck function enhances energy efficiency by preventing heat and cold loss from the room.
Broad application: Suitable for various types of doors: profile, wood, and metal; recommended for use on fire-rated doors. It comes complete with a standard arm or a hold-open arm. The TS Profil model is available with a slide channel or a standard arm. It is recommended for use on doors in ambient temperatures down to -30°C. Modern Aesthetics: Contemporary design and wide range of color options allow the TS Profil to blend seamlessly into any interior design.
Proven durability: Tested for 500,000 cycles of failure-free operation, it is built to withstand intensive use and heavy traffic.
Superior performance: Installation is simplified with no special tools required, which saves time and money. The decorative cover is securely fastened to the closer and does not come loose during operation. All adjustments are located on the front face, which significantly simplifies setting up the closer.
Manufacturer's warranty: 2 years.
By choosing the dormakaba TS Profil, you are investing in a high-quality, long-lasting solution for your doors.
| Технические характеристики | TS Profil | |
|---|---|---|
| Регулируемое усилие закрывания | Размер | EN 2/3/4/5 |
| Стандартные двери* | ≤ 1250 мм | |
| Наружные двери, открываемые наружу* | ||
| Противопожарные двери* | ≤ 1250 мм | –/// |
| Универсальность для левых и правых дверей | ||
| Рычаг | Складной стандартный | |
| Скользящий канал | ||
| Cкорость закрывания и дохлоп регулируются двумя независимыми клапанами в диапазонах | 180° – 15° | |
| 15° – 0° | ||
| Ветровой тормоз (Регулируемый гидравлический амортизатор открывания) | ||
| Фиксация в открытом положении (ФОП) | ||
| Масса в кг | 1.4 | |
| Размеры в мм |
Длина Глубина Высота |
210 38.5 55 |
| Да / – Нет / Опция | ||
1 Регулируемая скорость закрывания в диапазоне 180° – 15°.
2 Регулируемая скорость закрывания в диапазоне 15° – 0°.
3 Ветровой тормоз.
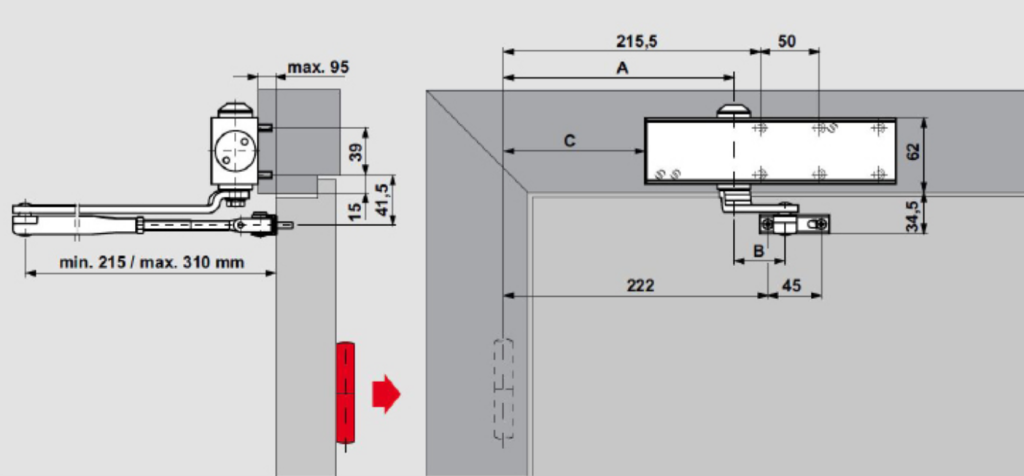
Монтаж на дверном полотне со стороны петель
| EN 2 | EN 3 | EN 4 | EN 5 | |
|---|---|---|---|---|
| A | 143.5 | 193.5 | 193.5 | 280 |
| B | 93.0 | 59.0 | 43.0 | 43.0 |
| C | 69.5 | 119.5 | 119.5 | 206 |
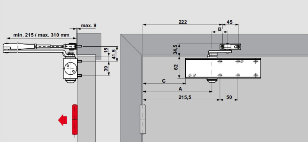
Монтаж на дверном полотне со стороны, противоположной петлям
| EN 2 | EN 3 | EN 4 | EN 5 | |
|---|---|---|---|---|
| A | 143.5 | 193.5 | 193.5 | 280 |
| B | 93.0 | 59.0 | 43.0 | 43.0 |
| C | 69.5 | 119.5 | 119.5 | 206 |